Choose the correct answer
How would a modeler refine a use case textual narrative?
A
Choose the correct answer.
Given the following diagram fragment:
What does the multiplicity at the actor end mean?
C
Choose the correct answer
How ate use cases and requirements used for requirements analysis in SysML?
C
Choose the correct answer
How can the composition (black diamond) relationship be used to relate Requirements?
B
Choose the correct answer
How is a testCase used to validate a requirement?
B
Choose the correct answer
Which SysML construct is used in an activity diagram to associate an actor of a use case with the
actions that actor performs?
D
Choose the correct answer
Annex C of the SysML specification describes optional stereotypes that are useful for modeling
requirements. Which stereotype are all the other stereotypes based upon, and which properties
does it add to a requirement?
D
Choose the correct answer
How can the containment relationship be used to relate requirements?
B
Choose the correct answer
What is the significance of the verify relationship?
B
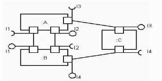
Choose the correct answer.
Given the following ibd fragment:
Select the bdd fragment that corresponds
A)
B)
C)
D)
A